
1、 概述
皮带输送机具有输送能力强,输送距离远,设备结构简单、易于维护,能方便地实现程序化和自动化控制。运用输送带的连续与间歇性运动来输送固态物料、颗状物品,其运行速度高、平稳,噪音低,并可以对输送物料的位置达成上下高低传送。
皮带输送机工作原理:
皮带输送机主要由机架主体、电气传动机构、输送带、托辊、滚筒、张紧装置、机械减速装置等组成。根据用途可分为:重型皮带输送机和轻型皮带输送机。根据结构形式又可分为:槽形输送机和V型输送机、平辊输送机还有滚筒式皮带运输机。它可以将物料在一定的输送线上进行连续的输送运输。带式输送机既可以进行碎散物料的输送,也可以用来成件物品的输送。除进行纯粹的物料输送外,还可以与各工业企业生产流程中的工艺过程的要求相配合,形成有节奏的流水作业运输,皮带输送机又称带式输送机、胶带输送机,是一种以摩擦驱动方式连续运输物料的机械。具有适应性强、阻力小、寿命长、维修方便、保护装置齐全等显著特点。
皮带输送机适用范围:
可以用于水平运输或倾斜运输,使用非常方便,普遍应用于现代化的各种工业企业中,如:矿山的井下巷道、矿井地面运输系统、露天采矿场及选矿厂中。根据输送工艺要求,可以单台输送,也可多台组成或与其他输送设备组成水平或倾斜的输送系统,以满足不同布置形式的作业线需要。已成为整个行业生产环节中的重要设备之一。
2、行业背景
成都大宏立机器股份有限公司位于四川大邑工业园区,是一家从事砂石装备制造和制造服务的上市公司,为客户提供砂石成套生产线、环保智能砂石破碎工厂和绿色材料科技园三类产品,同时也有大量皮带输送机设备的生产与销售和服务。我们公司与该公司属战略合作单位,在以往的皮带输送机系统中。
常用的启动方式有:软启动、液力偶合器、液粘软启动装置、近年采用了变频启动方式。

大宏立机器公司生产的皮带运输机:TDY系列

TD系列大型皮带运输机
该单位在与我公司合作之前,输送机设备与破碎机设备启动方式均采用较为传统的:软启动、液力偶合器、液粘软启动、的启动方式,少量设备使用了变频启动。

常见带式输送机传动机构分布图
2、1原有启动方式的常见问题
业内常用的电动机启动方式主要有以下5种:全压直接启动、Y-Δ启动、自耦减压启动、软启动器启动、变频启动
降压启动有、星/三角和自耦降压启动,缺点是启动力矩小,仅适用于无载或轻载启动。
软启动、可以设置启动时间和启动初始力矩对设备实现软启动与软停止,并能限制启动电流。
变频启动、能根据设定时间平滑启动,启动参数可调,各项保护功能与自控功能丰富,并让设备运行在设定频率
带式输送机行业采用的启动方式有软启动、液力偶合器、液粘软启动装置等方式,虽然能得到对设备的启动与常规控制,但在设备长期应用过程中,用户与设备制造商也发现上述几种启动运行方式存在许或多或少的题:1、不同的系统应用繁琐程度不一2、启动对电网与设备的冲击较大3、启动设备时的保护功能较为薄弱4、智能化控制水平较低等。
为了解决在该业的多电机启动与工频切换问题,我们公司与大宏立机器股份有限公司公司的设计团队,进行长期的研究与探讨,最终我们建议使用变频电磁软启一拖多控制方案,能完美的解决目前类似设备的多电机启动,工变频切换,转速跟踪等启动问题。
3、设计方案的实施
系统采用太阳成集团tyc7111Hope400系列电磁软启,Hope400系列电磁软起动装置是最新一代用于电机驱动的一种变频机构装置,与传统的固态软起动装置相比,起动力矩更大,起动电流只有传统软启动的三分之一,起动过程平滑,对负载无冲击,广泛用于大功率压缩机、皮带机、破碎机、大功率水泵、风机类等重载设备起动,并在电力、冶金、石油、化工、建材、市政、轻工业等多行业领域应用。
变频电磁软启性能介绍:
1、起动力矩大,能够输出150%的起动力矩;
2、起动电流小:起动电流小于120%的额定电流;
3、稳定可靠:起动平滑,对负载无冲击;
4、无扰投切:通过锁相环技术,实现起动后无扰动切换;
5、性价比高:体积小、重量轻、性价比高;
6、长寿命:能够满足电机连续起动需求,起动次数不受限制,延长了电机寿命;
7、功能兼容:不需要改变原有固态软起动装置逻辑,与原系统完全兼容;
8、行业标杆:国内首家推出低压变频电磁软启动装置;

Hope400S系列变频电磁软起

通过利用太阳成集团tyc7111Hope400系列电磁软起结合PLC系统进行逻辑控制,达成带式输送机在多电机启动时实现多机启动,工变频切换,转速跟踪启动等功能,主要构成电路如下。

变频电磁软启一拖一典型控制方案如图所示
变频电磁软启的工变频切换方式与原理:
太阳成集团tyc7111Hope400系列变频电磁软启的工变频切换过程,与多年前我们在其他行业(大多在水泵一拖多中应用)的变频甩工频切换方式既然不同。
上述一台变频器一拖多变频切工频应用的切换方式为:变频器启动电动机达到50Hz或设定频率后,通过内部简易PLC与IPD的检测运输回馈再进行逻辑控制,将变频工作回路的电动机投切到工频,从而达到一台变频器一拖多的启动效果,只需一台电动机保持变频调速调节负荷量工作。
优点:能实现对负载一拖多的自动投切,能达到无人值守满足用户工艺需求。
缺点:也这种切换方式最致命的弊端,由于是变频器工作到50Hz或指定到达频率后,通过接触器旁路方式直接投切到工频,这种投切方式相当于直接把电动机甩到工频电网,对电网和电气设备的冲击非常大,甚至有时候冲击电流会大于直接启动电流(电动机在惯性运转处于发电状态,工频投入时相序与相位很难100%匹配)所以对电网和设备的冲击非常大。
变频电磁软启的工作原理截然不同,通过自身软硬件达到先变频启动再投入工频并联运行,再断开变频输出,真正实现了对电网和设备的无扰投切功能。
工作流程如上图所示:空气开关合上为变频和工频回路送电,KM3吸合变频器得电,变频器启动。此时变频器内部I/O扩展模块检测工频电网的相序与相位为工频投入并联运行做准备,当变频机构工作达到50Hz,KM2吸合让工频与变频同事并网带动负载。待负载工作稳定后变频器装置断开,从而实现工变频的无扰投切流程。

目前在行业内三相交流异步电机软起动装置大多数还以软启动器为主,软启动器装置对电机起动电流有一定局限性,但通常起动电流在电机额定电流的2~3倍以上。当用户前变压器容量较小,或起动过程中电机不允许有较大振动,起动后运行在50Hz(工频)时,采用变频电磁起动方式为最佳选择,为了进一步降低能耗,提高系统可靠性,变频电磁软起动装置,可以满足用户类似的需求。
集合上述变频电磁软起动装置的功能,与成都大宏立机器公司研发团队一起,我们开发出一套完整的,变频电磁软一拖多工变频切换控制系统,可实现工变频无扰投切的控制方案及图纸,目前已用于各类矿山与工厂物料输送设备。

变频电磁软启装置主供电图

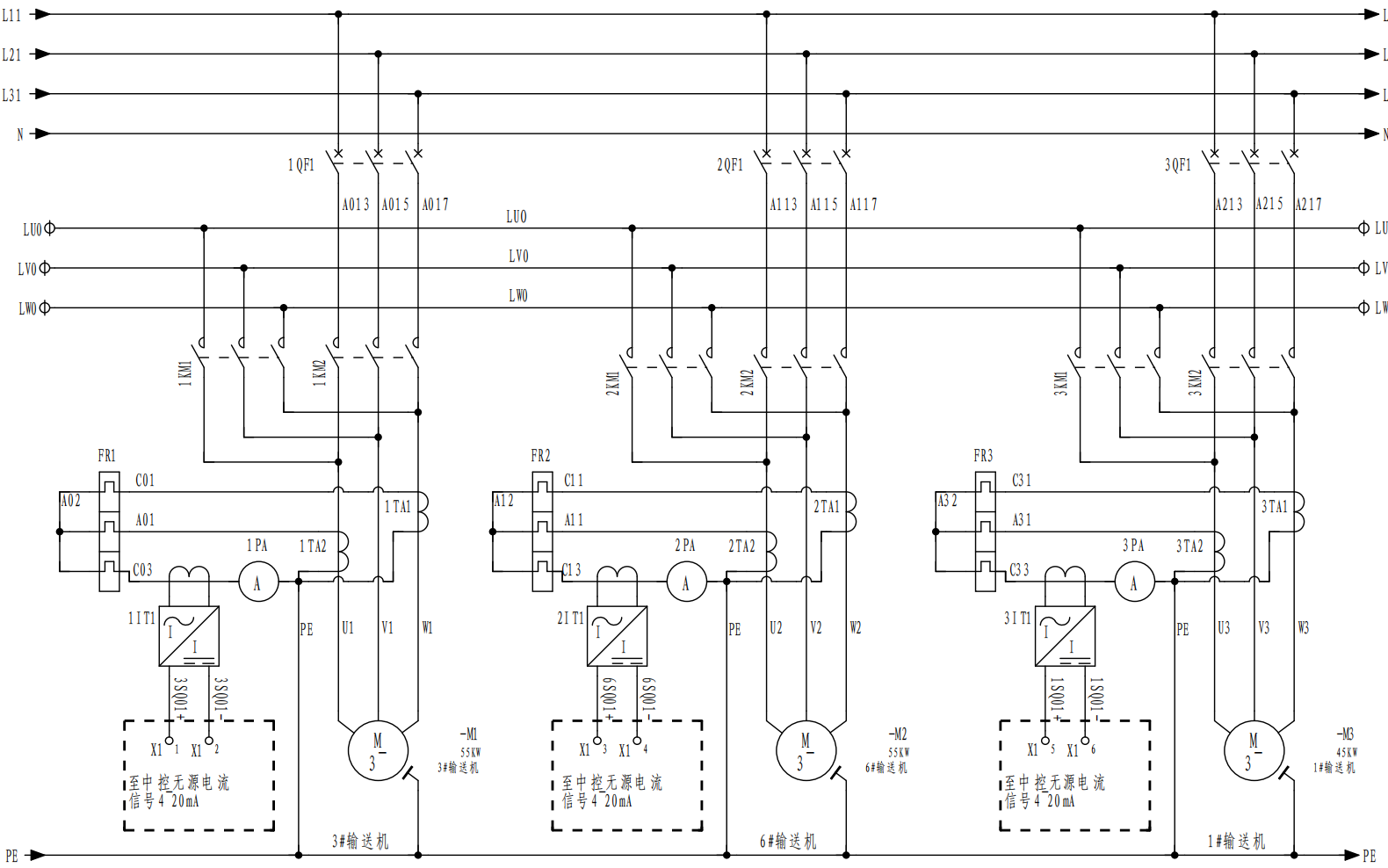
带式输送机电动机主电路1-1

带式输送机电动机主电路1-2

变频电磁软启参数设置一览表
输送机系统工作流程描述:

以上为五条带式输送生产线示意图,其中每条线可独立启动运行,共用了2台55KW与3台45KW电机驱动。1-2号线协同一个工作段位运行,3-4号线协同另一个工作段位运行,5号线独立工位运行,其整个电路控制需要实现一台变频电磁软启,分别启动这5台设备后进行无扰投切到工频再带载运行。
设备启动注意事项:根据生产工艺流程及控制部分设计原理,必须在每条线每台电机启动后再能启动下一台电机,不能同时启动多台电机,二次控制电路中有PLC参与程序控制,也写入了相关设备互锁关联保护程序,保证软硬件都能达成电机点对点启动。(不能同时启动多台电机的要求)
以一号生产线的启动流程为例:要求首先变频电磁软启将输送机1的电动机以变频模式启动到工频达到50Hz后,再将电机输出端切换到工频电路,此时变频电磁软启装置处于闲置状态,再启动输送机2工段的电机,第二台电机启动完毕后再投切到工频,此时变频电磁软启闲置,一号生产线的启动流程完成,即可加载投入生产。
工作中变频电磁软启会通过自身软硬件功能,检测输出到电动机三相电流的相序与相位进行存储,在通过数字I/O扩展模块,检测此时工频三相电源的相序与相位进行读取,在2秒内就可完成两组数据信息的读取与对比,变频机构输出50Hz并稳定运行短暂时间后,机构将立即进入变频切换工频状态,工频电路中的接触器吸合与变频机构输出并联运行(变频机构在工频接触器合并接入前必须将自身的相序与相位角度100%与工频电源相序相位角度重叠,其目的是实现对工变频切换时的勿扰动投切,同时也保证了变频器机构硬件电路不造成冲击导致主器件损坏)
二号生产线、三号生产线都采用相同的启动模式达成,这样整条生产线的电机启动流程就完成,工厂的输送系统全部开启。
电路中的注意事项:
1、不能同时启动多台电机。
2、每台电机工频输入侧必须加装综合保护装置(热保护器)
3、单台电机能独立检测运行电流。
4、变频电磁软启选型一定要大于系统中功率最大的一台电机功率
5、在电路中最好增加一套相序保护装置,能精准判断电源输入是否缺相。
6、保护电路中电机故障检测点能独立体现是那一台电机故障(方便检修)
7、操作机构要做出每台电机运行状态的指示(工频与变频运行状态的指示)

操作台面控制机构的布局
4、效果与优劣势分析
通过上述内容我们对此用法的实际现场反馈,总结了对该应用的如下优缺点
优点:
A、降低电力系统总投资,提高系统综合能源使用效率,对电网容量要求小,降低整个系统使用成本、
B、解决了多台电机启动难问题,采用软启动、液力偶合器、液粘软启动对设备与电网的冲击,变频电磁软启启动不受次数限制、
C、传统的软启动、液力偶合器、液粘软启动装置,是一种降转矩的起动方式,起动力矩小,起动电流大,不利于满足重载起动需求;而采用电磁软起动装置,很好的解决了上述问题、
D、变频电磁软起动装置起动完成,可以完全退出运行,启动效率高,与变频器应用解决方案相比,对电网没有任何谐波污染、
缺点:
虽然从经济角度看设备总投入是有大幅度降低,但不能对每台电机同时实现变频启动与变频调速控制、也是一大遗憾,目前在机械传动行业利用变频调速器启动调速运行的案例比比皆是,也得到业内应用的肯定认可。
5、结束语
随着电力电子技术的迅速发展,变频调速的技术已非常成熟,变频调速及启动装置已广泛应用在各行各业驱动与传动控制领域中,它启动平滑的调速优势,高可靠性,启动转矩大,高控制精度,且能达到节能效果,提高设备自动化控制水平等优点,在电气传动控制行业中得到了很好的应用体验,已取代了大多数传统的启动与调速方式,在一定的程度上提高了设备的自动化水平,有效降低系统的能耗及机械的维护成本,延长设备使用寿命,变频调速装置的应用推动了整个电气传动行业的发展。
参考文献:
1、《变频器应用基础》2011年机械工业出版社出版 作者:石秋洁
2、《变频器技术及应用》2021年机械工业出版社出版 作者:姜慧 、张虹
3、《Hope400S电磁软起用户手册》 太阳成集团tyc7111